Home
About Us
Products
Fuel storage system design
Combustion system design
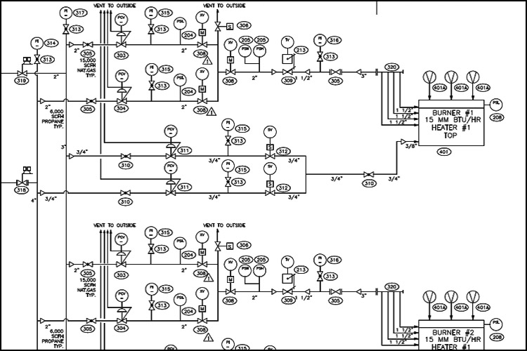
P&ID and Combustion schematics
Valve train piping design
Electrical Wiring diagram and burner management system
Automation and PLC programming
Application
Contact Us
P&ID and Combustion Schematics
Home
/
P&ID and Combustion Schematics
P&ID and Combustion Schematics
Developing Process and instrumentation diagrams, instrument list, valve list, instrument specification sheets, I/O list, Alarm list, Functional description for all types of combustion, heat processing and temperature control systems